密封圈定制服務熱線
134-2193-4786
182-0085-0198
微
信
在
線
咨
詢
信
在
線
咨
詢
用于旋轉、往復和靜密封的場合-良好的刮除效果-無爬行操作,用于精密控制-良好的抗磨性能及尺寸穩定性-能適應急劇的溫度變化-與食品、制藥和醫藥流體接觸時對介質無污染-可以消毒-儲存期無限
添加個人微信
標準材料密封環:填充聚四氟乙烯F-PTFE彈 簧:不銹鋼特點-用于旋轉、往復和靜密封的場合-良好的刮除效果-無爬行操作,用于精密控制-良好的抗磨性能及尺寸穩定性-能適應急劇的溫度變化-與食品、制藥和醫藥流體接觸時對介質無污染-可以消毒-儲存期無限支持 | 環保 | 優質 | 廠家 | 加工 | 質量 |
| 彈簧增強高低唇軸用密封(端蓋式溝槽) |
| SPRING ENERGIZED ROTARY SEALS |
| PTW |
![]() |
| 訂貨號 Order Number | 軸徑 Rod diameter | 溝槽底徑 Groove diameter | 槽寬 Groove width | 訂貨號 Order Number | 軸徑 Rod diameter | 溝槽底徑 Groove diameter | 槽寬 Groove width | |||||
| d f8/h9 | D1 H9 | D2 H10 | L1 | L2 | dN f8/h9 | D1 H9 | D2 H10 | L1 | L2 | |||
| PTW0050 | 5 | 10 | 14 | 3.6 | 0.85 | PTW1050 | 105 | 115.5 | 122.5 | 7.1 | 1.8 | |
| PTW0060 | 6 | 11 | 15 | 3.6 | 0.85 | PTW1100 | 110 | 120.5 | 127.5 | 7.1 | 1.8 | |
| PTW0080 | 8 | 13 | 17 | 3.6 | 0.85 | PTW1150 | 115 | 125.5 | 132.5 | 7.1 | 1.8 | |
| PTW0100 | 10 | 15 | 19 | 3.6 | 0.85 | PTW1200 | 120 | 130.5 | 137.5 | 7.1 | 1.8 | |
| PTW0120 | 12 | 17 | 21 | 3.6 | 0.85 | PTW1250 | 125 | 135.5 | 142.5 | 7.1 | 1.8 | |
| PTW0180 | 18 | 23 | 27 | 3.6 | 0.85 | PTW1300 | 130 | 140.5 | 147.5 | 7.1 | 1.8 | |
| PTW0200 | 20 | 27 | 32.5 | 4.8 | 1.35 | PTW1350 | 135 | 145.5 | 152.5 | 7.1 | 1.8 | |
| PTW0220 | 22 | 29 | 34.5 | 4.8 | 1.35 | PTW1400 | 140 | 150.5 | 157.5 | 7.1 | 1.8 | |
| PTW0250 | 25 | 32 | 37.5 | 4.8 | 1.35 | PTW1500 | 150 | 160.5 | 167.5 | 7.1 | 1.8 | |
| PTW0300 | 30 | 37 | 42.5 | 4.8 | 1.35 | PTW1600 | 160 | 170.5 | 177.5 | 7.1 | 1.8 | |
| PTW0320 | 32 | 39 | 44.5 | 4.8 | 1.35 | PTW1700 | 170 | 180.5 | 187.5 | 7.1 | 1.8 | |
| PTW0350 | 35 | 42 | 47.5 | 4.8 | 1.35 | PTW1800 | 180 | 190.5 | 197.5 | 7.1 | 1.8 | |
| PTW0360 | 36 | 43 | 48.5 | 4.8 | 1.35 | PTW1900 | 190 | 200.5 | 207.5 | 7.1 | 1.8 | |
| PTW0400 | 40 | 50.5 | 57.5 | 7.1 | 1.8 | PTW2000 | 200 | 210.5 | 217.5 | 7.1 | 1.8 | |
| PTW0420 | 42 | 52.5 | 59.5 | 7.1 | 1.8 | PTW2100 | 210 | 220.5 | 227.5 | 7.1 | 1.8 | |
| PTW0450 | 45 | 55.5 | 62.5 | 7.1 | 1.8 | PTW2200 | 220 | 230.5 | 237.5 | 7.1 | 1.8 | |
| PTW0480 | 48 | 58.5 | 65.5 | 7.1 | 1.8 | PTW2300 | 230 | 240.5 | 247.5 | 7.1 | 1.8 | |
| PTW0500 | 50 | 60.5 | 67.5 | 7.1 | 1.8 | PTW2400 | 240 | 250.5 | 257.5 | 7.1 | 1.8 | |
| PTW0520 | 52 | 62.5 | 69.5 | 7.1 | 1.8 | PTW2500 | 250 | 260.5 | 267.5 | 7.1 | 1.8 | |
| PTW0550 | 55 | 65.5 | 72.5 | 7.1 | 1.8 | PTW2800 | 280 | 290.5 | 297.5 | 7.1 | 1.8 | |
| PTW0560 | 56 | 66.5 | 73.5 | 7.1 | 1.8 | PTW3000 | 300 | 310.5 | 317.5 | 7.1 | 1.8 | |
| PTW0600 | 60 | 70.5 | 77.5 | 7.1 | 1.8 | PTW3200 | 320 | 330.5 | 337.5 | 7.1 | 1.8 | |
| PTW0630 | 63 | 73.5 | 80.5 | 7.1 | 1.8 | PTW3500 | 350 | 360.5 | 367.5 | 7.1 | 1.8 | |
| PTW0650 | 65 | 75.5 | 82.5 | 7.1 | 1.8 | PTW3600 | 360 | 370.5 | 377.5 | 7.1 | 1.8 | |
| PTW0700 | 70 | 80.5 | 87.5 | 7.1 | 1.8 | PTW4200 | 420 | 434 | 442 | 9.5 | 2.8 | |
| PTW0750 | 75 | 85.5 | 92.5 | 7.1 | 1.8 | PTW4500 | 450 | 464 | 472 | 9.5 | 2.8 | |
| PTW0800 | 80 | 90.5 | 97.5 | 7.1 | 1.8 | PTW4800 | 480 | 494 | 502 | 9.5 | 2.8 | |
| PTW0850 | 85 | 95.5 | 102.5 | 7.1 | 1.8 | PTW5000 | 500 | 514 | 522 | 9.5 | 2.8 | |
| PTW0900 | 90 | 100.5 | 107.5 | 7.1 | 1.8 | PTW6000 | 600 | 614 | 622 | 9.5 | 2.8 | |
| PTW0950 | 95 | 105.5 | 112.5 | 7.1 | 1.8 | PTW7000 | 700 | 714 | 722 | 9.5 | 2.8 | |
| PTW1000 | 100 | 110.5 | 117.5 | 7.1 | 1.8 | |||||||
| 技術參數 TechnicalData | ||||
| 壓力Pressure | 溫度Temperature | 速度Slidingspeed | 介質Medium | |
| 標準產品 Standard | ≤25MPa(Static 靜密封) ≤15MPa(Rotary 轉動) | -40…+260℃ | ≤2 m/s(旋轉) ≤10 m/s(往復) | 幾乎所有液體、化學藥品和氣體Virtually all fluids, chemicals and gases |
*工作溫度底于0℃時,請與我方聯系。 For tenperatures below 0℃ consult Technical Suport.
For temperatures below 0℃, please consult Technical Suport.
| 材料Material | ||
| 彈簧Spring | 密封件Seals | |
| 標準設計Standard | 不銹鋼Stainless steel 304/316/301 | 填充PTFE PTFE -Filled |
| 彈簧Spring 103 | 彈簧Spring 400 | 彈簧Spring APS |
![]() | ![]() | ![]() |
訂貨范例 Order Example for Standard version:
| 軸徑 d | 溝槽底徑 D1 | 溝槽底徑 D2 | 槽寬 L1 | 彈簧類型 Spring Type | 訂貨號 Order Number | 設計標準或互換 Standard or can fit the groove |
| 50 | 60.5 | 67.5 | 7.1 | 400 | PTW50X60.5X7.1-400 | 設計選用時可參考Trelleborg公司TVM系列標準 |
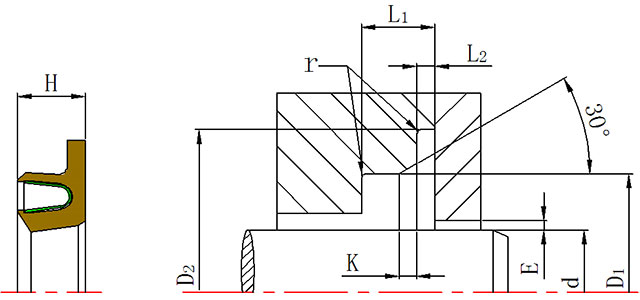
Installation Dimension table based on Metric Size
公制溝槽尺寸(mm)s| 軸徑 Rod diameter | 溝槽底徑 Groovediameter | 槽寬 Groove width | 安裝倒角 Lead-in | 圓弧過渡 | 軸間最大間隙 Radialclearance E max | |||||||
| 標準尺寸范圍 Standard range d f8/h9 | 擴展尺寸范圍 Available range d f8/h9 | D1 H9 | D2 H10 | L1 min | L2 | k | r | <2Mpa | <10Mpa | <20Mpa | ||
| 1 | 5.0-19.9 | 20.0-200 | d+5.0 | d+9.0 | 3.6 | 0.85+0/-0.1 | 0.8 | 0.3 | 0.25 | 0.15 | 0.1 | |
| 2 | 20.0-39.9 | 10.0-400 | d+7.0 | d+12.5 | 4.8 | 1.35+0/-0.15 | 1.1 | 0.4 | 0.35 | 0.2 | 0.15 | |
| 3 | 40.0-399.9 | 20.0-700 | d+10.5 | d+17.5 | 7.1 | 1.80+0/-0.02 | 1.4 | 0.5 | 0.5 | 0.25 | 0.2 | |
| 4 | 400.0-999.9 | 35.0-999.9 | d+14.0 | d+22.0 | 9.5 | 2.80+0/-0.20 | 1.6 | 0.5 | 0.6 | 0.3 | 0.25 | |